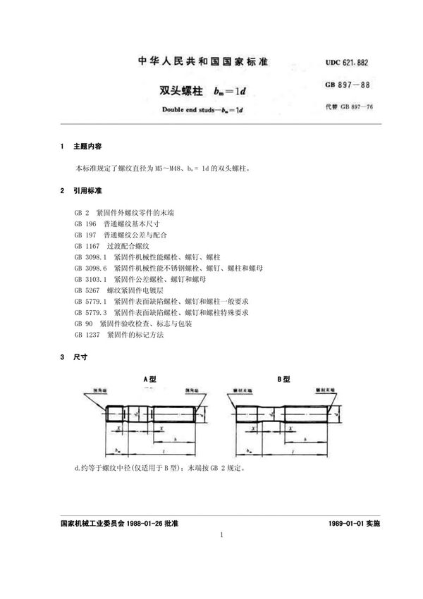
GB897双头螺柱是一种标准化的紧固件,两端均带有螺纹,中间为光杆部分。它符合中国国家标准GB897,适用于需要从两端进行连接的场合。这种螺柱常用于机械装配、设备安装等领域,其中一端通常旋入固定部件(如机体或基座),另一端用于安装螺母或其他连接件。其结构简单、安装方便,能够提供可靠的连接强度。GB897双头螺柱的规格通常以螺纹直径和长度表示,用户可根据实际需求选择合适的尺寸和材质(如碳钢、不锈钢等)。

GB897双头螺柱是一种标准化的紧固件,两端均带有螺纹,中间为光杆部分。它符合中国国家标准GB897,适用于需要从两端进行连接的场合。这种螺柱常用于机械装配、设备安装等领域,其中一端通常旋入固定部件(如机体或基座),另一端用于安装螺母或其他连接件。其结构简单、安装方便,能够提供可靠的连接强度。GB897双头螺柱的规格通常以螺纹直径和长度表示,用户可根据实际需求选择合适的尺寸和材质(如碳钢、不锈钢等)。

声明:资源收集自网络无法详细核验或存在错误,仅为个人学习参考使用,如侵犯您的权益,请联系我们处理。
不能下载?报告错误