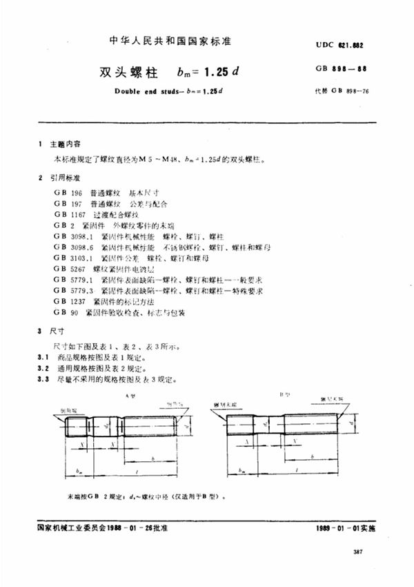
GB898-1988双头螺柱b,m=1.25d是中国国家标准中规定的一种双头螺柱的规格标准。该标准主要适用于机械设备和工程结构中需要高强度连接的场合。双头螺柱是一种两端都有螺纹的紧固件,通常用于需要将两个部件牢固连接的情况。根据GB898-1988标准,该螺柱的螺纹长度b和旋入长度m均为1.25倍的螺柱公称直径d,以确保足够的连接强度和稳定性。该标准详细规定了双头螺柱的尺寸、公差、材料、机械性能及表面处理等技术要求,适用于制造、检验和使用过程中的标准化管理,确保产品的互换性和可靠性。GB898-1988双头螺柱b,m=1.25d广泛应用于机械制造、汽车工业、建筑结构等领域,是重要的紧固件标准之一。
