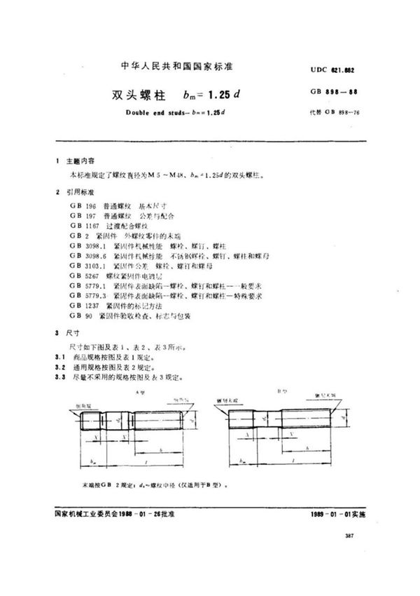
GBT898-1988双头螺柱bm=1.25d是一种标准化的紧固件,主要用于需要高强度连接的场合。该螺柱两端均有螺纹,中间为无螺纹的杆部,适用于被连接件之一较厚或需频繁拆卸的情况。bm=1.25d表示螺柱旋入机体端的螺纹长度(bm)为螺柱公称直径(d)的1.25倍,确保足够的旋合长度以提高连接强度和可靠性。该标准规定了螺柱的尺寸、材料、机械性能等技术要求,适用于机械、建筑、汽车等行业的高强度连接需求。高清版标准文件提供了更清晰的图示和详细参数,便于生产、检验和使用时参考。

GBT898-1988双头螺柱bm=1.25d是一种标准化的紧固件,主要用于需要高强度连接的场合。该螺柱两端均有螺纹,中间为无螺纹的杆部,适用于被连接件之一较厚或需频繁拆卸的情况。bm=1.25d表示螺柱旋入机体端的螺纹长度(bm)为螺柱公称直径(d)的1.25倍,确保足够的旋合长度以提高连接强度和可靠性。该标准规定了螺柱的尺寸、材料、机械性能等技术要求,适用于机械、建筑、汽车等行业的高强度连接需求。高清版标准文件提供了更清晰的图示和详细参数,便于生产、检验和使用时参考。

声明:资源收集自网络无法详细核验或存在错误,仅为个人学习参考使用,如侵犯您的权益,请联系我们处理。
不能下载?报告错误