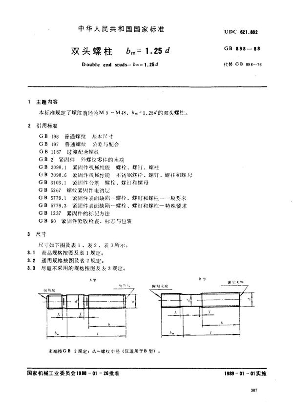
《GB/T898-88双头螺柱》是中国国家标准中关于双头螺柱的技术规范。该标准规定了双头螺柱的型式、尺寸、技术要求、试验方法、检验规则及标志、包装等内容,适用于机械、建筑、交通等行业中使用的双头螺柱产品。通过该标准,可以确保双头螺柱的质量和互换性,为相关行业的设计、生产和检验提供统一的技术依据。如需下载电子版,建议通过国家标准全文公开系统或正规标准发布平台获取。

《GB/T898-88双头螺柱》是中国国家标准中关于双头螺柱的技术规范。该标准规定了双头螺柱的型式、尺寸、技术要求、试验方法、检验规则及标志、包装等内容,适用于机械、建筑、交通等行业中使用的双头螺柱产品。通过该标准,可以确保双头螺柱的质量和互换性,为相关行业的设计、生产和检验提供统一的技术依据。如需下载电子版,建议通过国家标准全文公开系统或正规标准发布平台获取。

声明:资源收集自网络无法详细核验或存在错误,仅为个人学习参考使用,如侵犯您的权益,请联系我们处理。
不能下载?报告错误