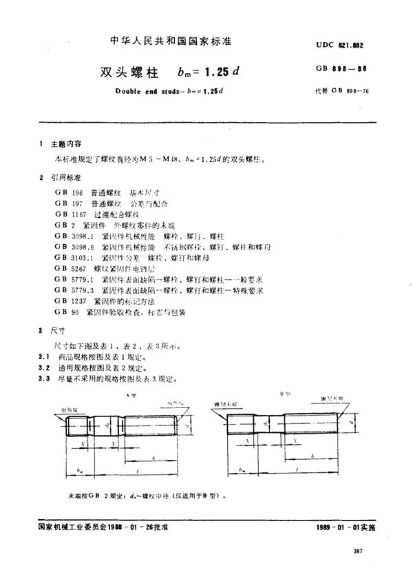
GB-T898-88双头螺柱是中国国家标准规定的一种紧固件,主要用于机械设备的连接和固定。该标准详细规定了双头螺柱的尺寸、材料、机械性能、表面处理等技术要求,确保其在各种工程应用中的可靠性和互换性。双头螺柱两端均有螺纹,中间为无螺纹的光杆部分,适用于需要频繁拆卸或调整的场合,如大型设备、管道系统等。该标准适用于公称直径范围为5mm至48mm的双头螺柱,材料通常为碳钢、合金钢或不锈钢,具体选择取决于使用环境和受力要求。GB-T898-88标准的实施有助于统一产品质量,促进机械行业的标准化发展。

GB-T898-88双头螺柱是中国国家标准规定的一种紧固件,主要用于机械设备的连接和固定。该标准详细规定了双头螺柱的尺寸、材料、机械性能、表面处理等技术要求,确保其在各种工程应用中的可靠性和互换性。双头螺柱两端均有螺纹,中间为无螺纹的光杆部分,适用于需要频繁拆卸或调整的场合,如大型设备、管道系统等。该标准适用于公称直径范围为5mm至48mm的双头螺柱,材料通常为碳钢、合金钢或不锈钢,具体选择取决于使用环境和受力要求。GB-T898-88标准的实施有助于统一产品质量,促进机械行业的标准化发展。

声明:资源收集自网络无法详细核验或存在错误,仅为个人学习参考使用,如侵犯您的权益,请联系我们处理。
不能下载?报告错误