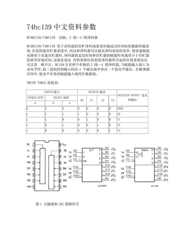
74HC139是一款高速CMOS逻辑集成电路,属于双2线-4线译码器/多路分配器。它采用先进的硅栅极CMOS技术制造,具有低功耗和高抗干扰能力的特点。主要参数:-工作电压范围:2V至6V-低静态功耗:典型值4μA-高噪声抗扰度-符合标准CMOS输入/输出电平-典型传播延迟:13ns(5V供电时)功能特点:-包含两个独立的2线-4线译码器-每个译码器具有一个使能输入(低电平有效)-输出为低电平有效-可用于地址解码、数据分配等应用封装形式:常见的包括DIP-16、SOIC-16等。74HC139广泛应用于数字电路设计,如微处理器系统、存储器选择、数据路由等场景。
