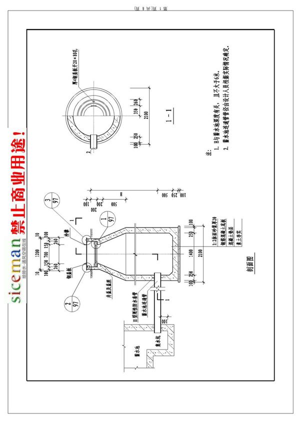
消防水池消防车取水口是消防系统的重要组成部分,主要用于消防车在紧急情况下快速取水。其设计需符合相关消防规范,确保取水便捷、高效。做法通常包括以下关键点:1.**取水口位置**:应靠近消防车道,便于消防车停靠,且周边无遮挡物。2.**结构形式**:一般采用钢制或混凝土结构,设置防冻、防堵塞措施。3.**连接方式**:配备标准消防接口(如DN150快速接口),确保与消防车水带兼容。4.**防水与排水**:周边设置排水沟,防止积水影响操作。节点详图需明确以下内容:-取水口与水池的连接方式(如法兰或焊接)。-防水套管及密封处理。-检修孔及盖板设计。-地面标识及安全警示。具体设计应参照《消防给水及消火栓系统技术规范》(GB50974)等标准执行。
