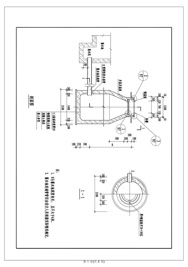
消防水池的消防车取水口是消防系统的重要组成部分,主要用于消防车快速取水灭火。常见的取水口做法包括以下几种:1.**地上式取水口**:通常设置在水池侧壁或顶部,配备标准接口(如DN150快速接口),方便消防车连接。需设置防护盖和明显标识。2.**地下式取水口**:通过井室或阀门箱隐藏于地面以下,顶部设检修井盖。适用于景观要求较高的场所,需注意防冻和排水设计。3.**直接管道取水口**:通过预埋管道与市政管网或消防水泵连接,需设置止回阀和控制阀门,确保取水便捷且不影响系统压力。4.**自然水源取水口**:适用于湖泊或河流旁的水池,需设置过滤格栅和防淤积措施,保证水质满足消防要求。节点详图通常包括取水口平面位置、剖面结构、管径、阀门配置、防冻措施及接口标准等细节,需符合《消防给水及消火栓系统技术规范》(GB50974)的要求。设计时应结合现场条件,确保取水口易于操作且不影响消防车通行。
