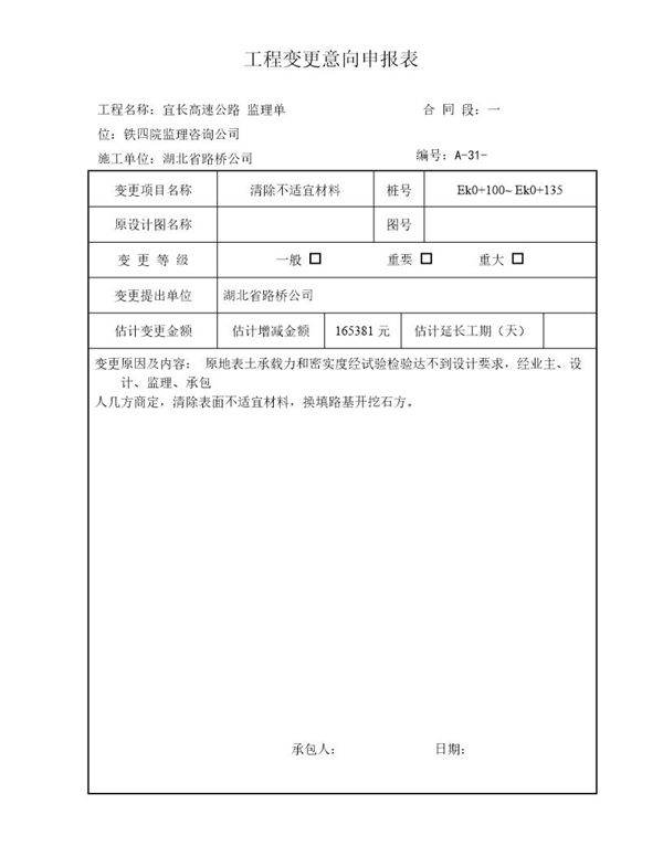
工程变更意向申报表是用于记录和提交工程项目中可能发生的变更意向的正式文件。该表格通常由项目相关方填写,用于提出对工程设计、施工方案、材料选用或其他技术细节的变更建议。申报表内容包括变更原因、变更内容、预期影响及建议解决方案等基本信息,旨在确保变更过程透明、规范,便于项目团队评估变更的可行性和必要性,并做出合理决策。通过使用该表格,可以有效控制工程变更风险,保障项目按计划顺利推进。

工程变更意向申报表是用于记录和提交工程项目中可能发生的变更意向的正式文件。该表格通常由项目相关方填写,用于提出对工程设计、施工方案、材料选用或其他技术细节的变更建议。申报表内容包括变更原因、变更内容、预期影响及建议解决方案等基本信息,旨在确保变更过程透明、规范,便于项目团队评估变更的可行性和必要性,并做出合理决策。通过使用该表格,可以有效控制工程变更风险,保障项目按计划顺利推进。
