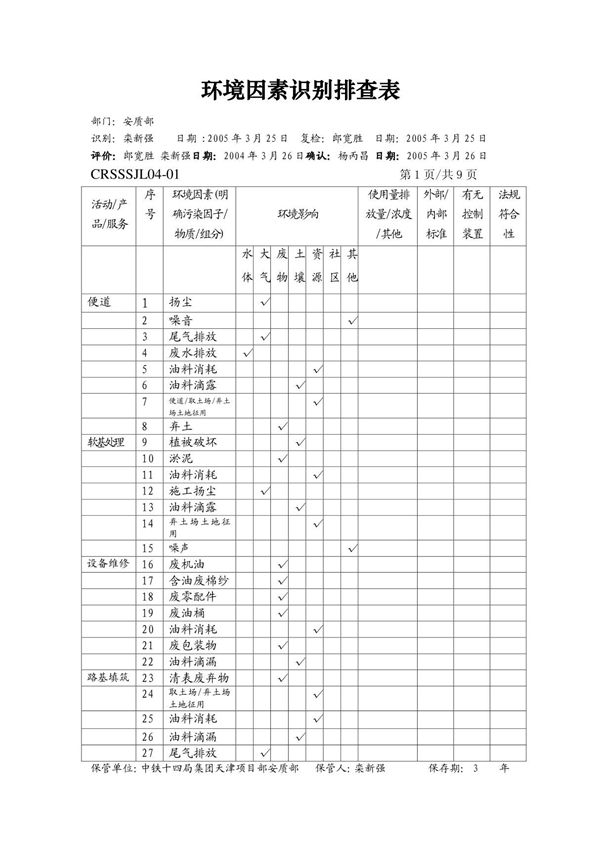
环境因素识别排查表用于系统性地识别和评估组织活动、产品或服务中可能对环境造成影响的因素。通过该表格可以全面梳理各类环境因素,包括但不限于能源消耗、废弃物排放、资源利用、噪声污染等,并评估其环境影响程度,为制定针对性的环境保护措施提供依据。排查表通常包含环境因素类别、具体表现、影响程度、发生频率、相关法规要求等内容,帮助组织实现环境管理的系统化和规范化。

环境因素识别排查表用于系统性地识别和评估组织活动、产品或服务中可能对环境造成影响的因素。通过该表格可以全面梳理各类环境因素,包括但不限于能源消耗、废弃物排放、资源利用、噪声污染等,并评估其环境影响程度,为制定针对性的环境保护措施提供依据。排查表通常包含环境因素类别、具体表现、影响程度、发生频率、相关法规要求等内容,帮助组织实现环境管理的系统化和规范化。
