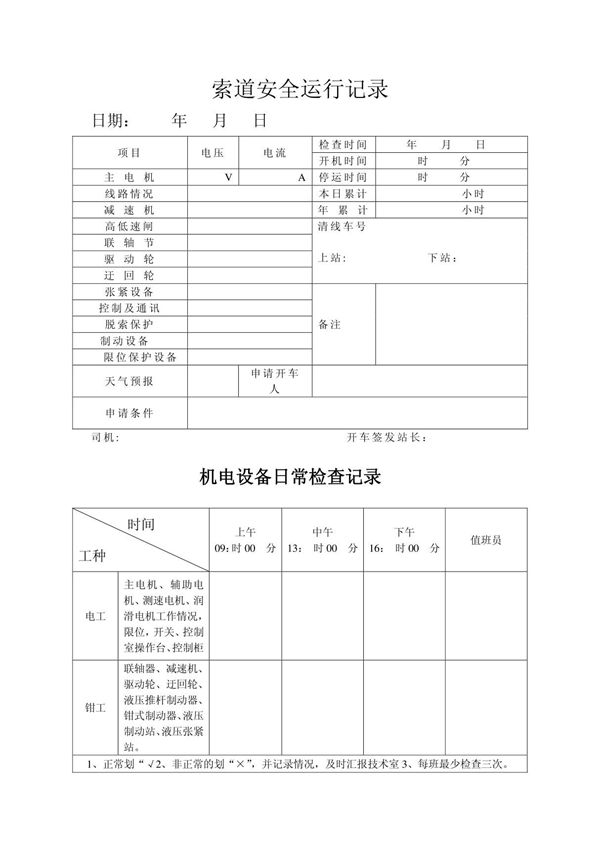
客运索道安全运行记录是客运索道运营单位用于记录和监控索道日常运行状况的重要文件。该记录详细记载索道的运行时间、设备检查情况、维护保养信息、故障处理过程以及突发事件的处理结果等内容。通过定期填写和保存安全运行记录,运营单位能够及时发现潜在的安全隐患,确保索道设备始终处于良好的运行状态,保障乘客和工作人员的安全。同时,安全运行记录也是监管部门检查索道安全运营情况的重要依据,有助于提高索道运营的安全管理水平。

客运索道安全运行记录是客运索道运营单位用于记录和监控索道日常运行状况的重要文件。该记录详细记载索道的运行时间、设备检查情况、维护保养信息、故障处理过程以及突发事件的处理结果等内容。通过定期填写和保存安全运行记录,运营单位能够及时发现潜在的安全隐患,确保索道设备始终处于良好的运行状态,保障乘客和工作人员的安全。同时,安全运行记录也是监管部门检查索道安全运营情况的重要依据,有助于提高索道运营的安全管理水平。

声明:资源收集自网络无法详细核验或存在错误,仅为个人学习参考使用,如侵犯您的权益,请联系我们处理。
不能下载?报告错误