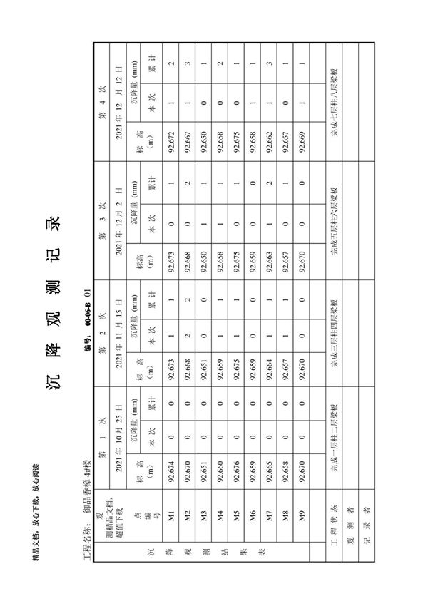
沉降观测记录表格模板完整优秀版简介沉降观测记录表格是工程监测中用于记录建筑物、桥梁、道路等结构物沉降情况的重要工具。该模板设计科学合理,包含观测日期、测点编号、初始高程、本次沉降量、累计沉降量、观测人员等关键字段,确保数据完整性和可追溯性。优秀版模板特点:1.结构清晰,便于填写与查阅;2.符合行业规范,适用于各类工程项目;3.提供数据计算与对比功能,帮助分析沉降趋势;4.可根据实际需求灵活调整,满足不同监测要求。使用该模板能有效提升沉降观测工作的规范性和效率,为工程质量控制提供可靠依据。

沉降观测记录表格模板完整优秀版简介沉降观测记录表格是工程监测中用于记录建筑物、桥梁、道路等结构物沉降情况的重要工具。该模板设计科学合理,包含观测日期、测点编号、初始高程、本次沉降量、累计沉降量、观测人员等关键字段,确保数据完整性和可追溯性。优秀版模板特点:1.结构清晰,便于填写与查阅;2.符合行业规范,适用于各类工程项目;3.提供数据计算与对比功能,帮助分析沉降趋势;4.可根据实际需求灵活调整,满足不同监测要求。使用该模板能有效提升沉降观测工作的规范性和效率,为工程质量控制提供可靠依据。
