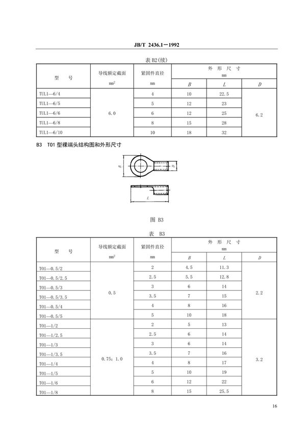
1.关于JBT24361-1992国家标准的全文电子版下载,建议您通过以下正规渠道获取:-访问国家标准全文公开系统(https://openstd.samr.gov.cn/)-联系中国标准出版社或当地标准化研究院-通过正规标准数据库如工标网、道客巴巴等查询请注意确保来源的合法性和标准的有效性。2.简介编写示例:JB/T2436.1-1992《工业机械电气设备通用技术条件第1部分》是我国机械行业制定的重要技术标准,由原机械工业部提出并归口。该标准规定了工业机械电气设备的通用技术要求、试验方法、检验规则等内容,适用于各类工业机械电气设备的设计、制造和验收。作为基础性技术规范,它对保障工业机械电气设备的安全性、可靠性和互换性具有重要指导意义,为行业产品质量提升提供了技术依据。该标准自1992年实施以来,在机械制造领域发挥了重要作用。
