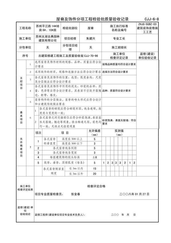
屋脊铺设分项工程检验批质量验收记录是建筑工程质量验收的重要文件之一,主要用于记录和评估屋脊铺设施工过程中的质量控制情况。该记录涵盖了材料质量、施工工艺、尺寸偏差、防水性能等关键验收项目,确保屋脊铺设符合设计要求和相关规范标准。通过详细填写验收记录,施工单位和监理单位能够及时发现并整改问题,保证屋脊铺设工程的质量和耐久性,为整体屋面工程的验收提供可靠依据。

屋脊铺设分项工程检验批质量验收记录是建筑工程质量验收的重要文件之一,主要用于记录和评估屋脊铺设施工过程中的质量控制情况。该记录涵盖了材料质量、施工工艺、尺寸偏差、防水性能等关键验收项目,确保屋脊铺设符合设计要求和相关规范标准。通过详细填写验收记录,施工单位和监理单位能够及时发现并整改问题,保证屋脊铺设工程的质量和耐久性,为整体屋面工程的验收提供可靠依据。

声明:资源收集自网络无法详细核验或存在错误,仅为个人学习参考使用,如侵犯您的权益,请联系我们处理。
不能下载?报告错误