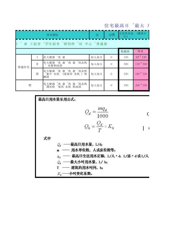
生活给水最高日最大时用水量计算表是用于确定建筑物或区域在用水高峰期间所需供水量的重要工具。该表通过统计和分析用水人数、用水定额、小时变化系数等参数,计算出最高日用水量和最大时用水量,为给水系统的设计和运行提供科学依据。计算结果直接影响水泵选型、管网管径确定以及水箱容积设计,确保供水系统能够满足用户需求,同时避免资源浪费。本表通常包含用水部位、用水人数、用水定额、使用时间、最高日用水量、小时变化系数、最大时用水量等关键数据项,需根据相关设计规范和要求进行填写和计算。

生活给水最高日最大时用水量计算表是用于确定建筑物或区域在用水高峰期间所需供水量的重要工具。该表通过统计和分析用水人数、用水定额、小时变化系数等参数,计算出最高日用水量和最大时用水量,为给水系统的设计和运行提供科学依据。计算结果直接影响水泵选型、管网管径确定以及水箱容积设计,确保供水系统能够满足用户需求,同时避免资源浪费。本表通常包含用水部位、用水人数、用水定额、使用时间、最高日用水量、小时变化系数、最大时用水量等关键数据项,需根据相关设计规范和要求进行填写和计算。

声明:资源收集自网络无法详细核验或存在错误,仅为个人学习参考使用,如侵犯您的权益,请联系我们处理。
不能下载?报告错误