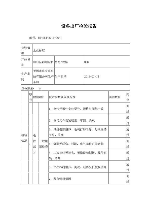
设备出厂检验报告是对设备在出厂前进行全面质量检验的正式文件。该报告详细记录了设备的各项性能指标、功能测试结果以及安全参数,确保设备符合国家相关标准、行业规范及合同约定的技术要求。检验内容包括外观检查、运行测试、安全性能评估等关键项目,并由专业质检人员签字确认。报告作为设备质量合格的重要证明,为用户验收和使用提供可靠依据,同时为售后服务及质量追溯提供有效支持。

设备出厂检验报告是对设备在出厂前进行全面质量检验的正式文件。该报告详细记录了设备的各项性能指标、功能测试结果以及安全参数,确保设备符合国家相关标准、行业规范及合同约定的技术要求。检验内容包括外观检查、运行测试、安全性能评估等关键项目,并由专业质检人员签字确认。报告作为设备质量合格的重要证明,为用户验收和使用提供可靠依据,同时为售后服务及质量追溯提供有效支持。

声明:资源收集自网络无法详细核验或存在错误,仅为个人学习参考使用,如侵犯您的权益,请联系我们处理。
不能下载?报告错误