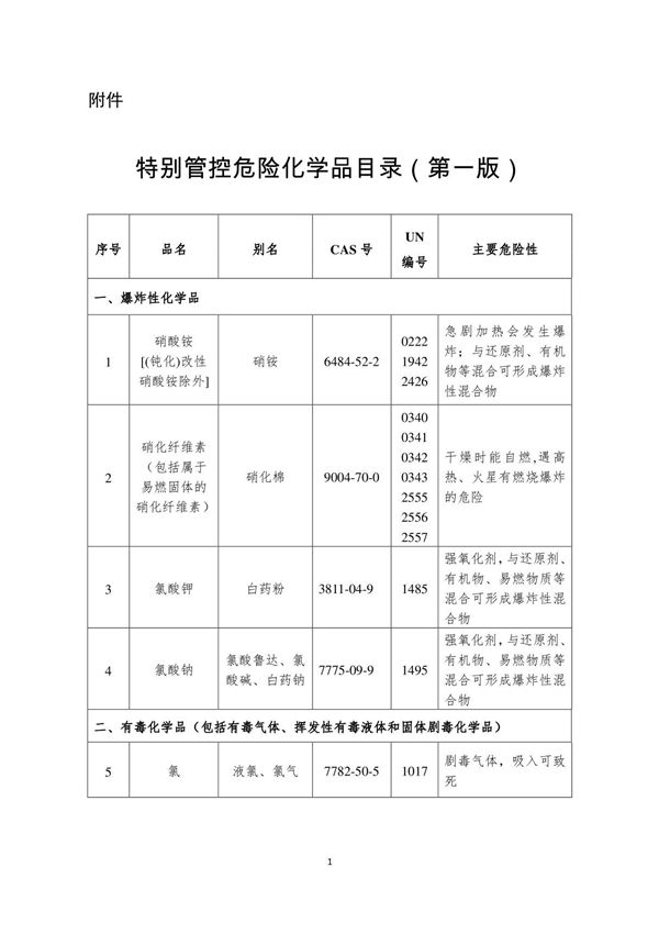
《特别管控危险化学品目录(第一版)》是由中国应急管理部、工业和信息化部、公安部、交通运输部、国家市场监督管理总局等多个部门联合制定并发布的规范性文件。该目录于2020年发布,旨在加强对具有较高安全风险的危险化学品的严格管控,防范和减少危险化学品事故的发生,保障人民群众生命财产安全和社会稳定。目录中列出的危险化学品主要包括易燃易爆、剧毒、高毒、易制爆、易制毒等类别,这些化学品在生产、储存、使用、运输和废弃处置等环节均需采取特别严格的管控措施。列入目录的危险化学品将受到更加严格的许可、备案、监管和检查要求,相关企业必须遵守国家法律法规,落实安全生产主体责任,确保危险化学品的安全管理。该目录的发布和实施,进一步完善了中国危险化学品的安全监管体系,有助于提升危险化学品全生命周期的安全管理水平,促进化工行业的安全、绿色和可持续发展。
