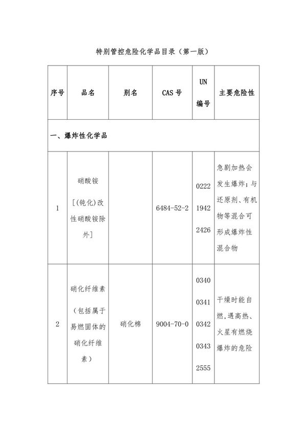
特别管控危险化学品目录是指由国家相关部门制定并发布的,对具有极高危险性、易引发重大安全事故或公共安全事件的化学品实施特殊管控的清单。这些化学品通常具有易燃易爆、剧毒、强腐蚀性、放射性等特性,一旦发生泄漏、火灾或爆炸等事故,可能造成严重的人员伤亡、环境污染或社会影响。因此,目录中的化学品在生产、储存、运输、使用和处置等环节均需遵守严格的监管要求,包括但不限于许可审批、限量管理、实名登记、全程追溯等管控措施,以确保公共安全和社会稳定。

特别管控危险化学品目录是指由国家相关部门制定并发布的,对具有极高危险性、易引发重大安全事故或公共安全事件的化学品实施特殊管控的清单。这些化学品通常具有易燃易爆、剧毒、强腐蚀性、放射性等特性,一旦发生泄漏、火灾或爆炸等事故,可能造成严重的人员伤亡、环境污染或社会影响。因此,目录中的化学品在生产、储存、运输、使用和处置等环节均需遵守严格的监管要求,包括但不限于许可审批、限量管理、实名登记、全程追溯等管控措施,以确保公共安全和社会稳定。
