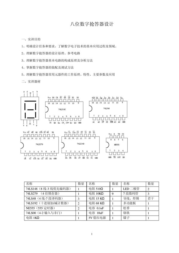
八路抢答器实训报告简介本次实训旨在设计并实现一个基于数字电路的八路抢答器系统。抢答器作为一种常见的竞赛设备,能够快速识别并锁定最先按下抢答按钮的选手,确保比赛的公平性和高效性。在实训过程中,我们首先分析了抢答器的功能需求,包括抢答信号的输入、优先锁存、显示及复位等模块。随后,通过逻辑电路设计,利用触发器、编码器、译码器等数字集成电路,完成了八路抢答器的硬件搭建与调试。此外,实训还涉及了电路仿真、故障排查及性能优化等内容,进一步巩固了数字电路的理论知识和实践技能。通过本次实训,我们不仅掌握了抢答器的工作原理和设计方法,还提升了团队协作能力和动手实践能力,为后续电子系统设计打下了坚实基础。
