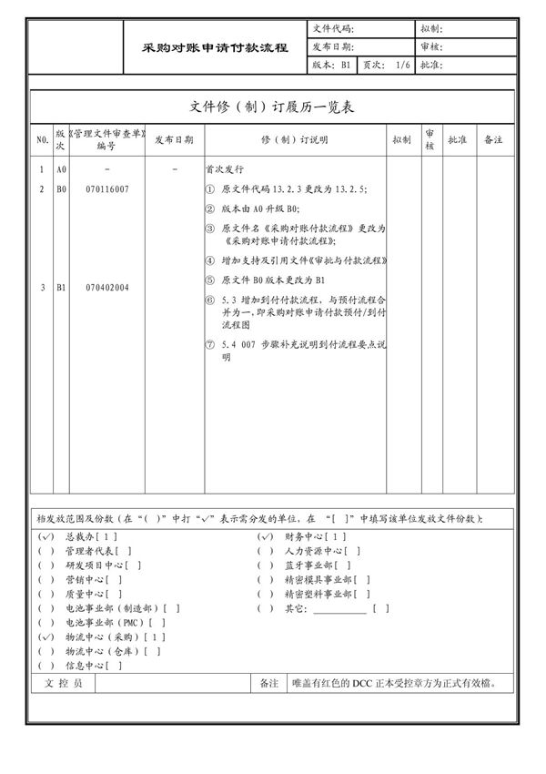
企业采购对账申请付款流程是企业财务管理中的关键环节,旨在确保采购活动的准确性、合规性和资金安全。该流程通常包括采购订单确认、货物或服务验收、发票核对、对账确认、付款申请审批以及最终付款执行等步骤。通过规范化的流程管理,企业可以有效控制采购成本,避免重复付款或错误付款,同时提高财务透明度和供应商满意度。优化后的流程应注重效率提升和风险控制,确保每一笔付款都有据可依、有账可查,从而为企业财务管理提供有力支持。

企业采购对账申请付款流程是企业财务管理中的关键环节,旨在确保采购活动的准确性、合规性和资金安全。该流程通常包括采购订单确认、货物或服务验收、发票核对、对账确认、付款申请审批以及最终付款执行等步骤。通过规范化的流程管理,企业可以有效控制采购成本,避免重复付款或错误付款,同时提高财务透明度和供应商满意度。优化后的流程应注重效率提升和风险控制,确保每一笔付款都有据可依、有账可查,从而为企业财务管理提供有力支持。

声明:资源收集自网络无法详细核验或存在错误,仅为个人学习参考使用,如侵犯您的权益,请联系我们处理。
不能下载?报告错误