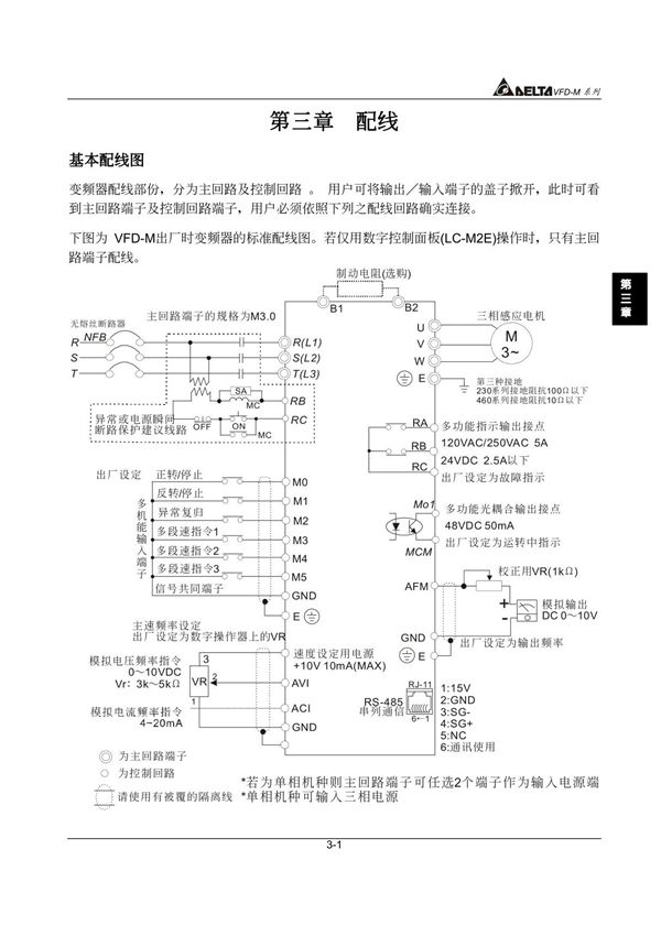
台达变频器VFD-M系列变频器中文说明书CH03简介本部分内容主要介绍台达VFD-M系列变频器的基本功能与操作指南。CH03章节详细说明了变频器的参数设置、运行模式选择、输入输出端子配置以及常见故障排除方法。该章节适用于工程技术人员和用户快速了解变频器的基本操作流程,帮助正确配置参数以实现电机的高效控制。内容包含参数列表、功能说明及操作步骤,确保用户能够根据实际需求调整变频器性能。通过阅读本章节,用户可以掌握VFD-M系列变频器的核心功能,确保设备稳定运行并优化电机控制效果。

台达变频器VFD-M系列变频器中文说明书CH03简介本部分内容主要介绍台达VFD-M系列变频器的基本功能与操作指南。CH03章节详细说明了变频器的参数设置、运行模式选择、输入输出端子配置以及常见故障排除方法。该章节适用于工程技术人员和用户快速了解变频器的基本操作流程,帮助正确配置参数以实现电机的高效控制。内容包含参数列表、功能说明及操作步骤,确保用户能够根据实际需求调整变频器性能。通过阅读本章节,用户可以掌握VFD-M系列变频器的核心功能,确保设备稳定运行并优化电机控制效果。

声明:资源收集自网络无法详细核验或存在错误,仅为个人学习参考使用,如侵犯您的权益,请联系我们处理。
不能下载?报告错误