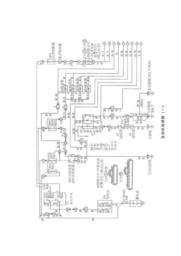
2000年海南马自达323电路图简介:该电路图详细展示了2000年款海南马自达323车型的完整电气系统结构与线路连接关系。作为原厂维修资料的核心组成部分,本电路图包含以下关键内容:1.整车电气系统拓扑图2.电源分配线路(主电源、接地分布)3.发动机控制系统电路(含ECU连接)4.照明系统(前照灯、转向灯、制动灯等)5.仪表板及警告系统6.空调控制系统7.音响及辅助电器接口适用对象:汽车维修技师、电气故障诊断人员、车辆改装技术人员。本资料需配合万用表等专业检测设备使用,建议具备基础汽车电路知识的人员参考。原厂图纸标注采用国际通用电路符号体系,包含线径颜色代码、接插件编号等关键参数。注意事项:进行电路检修时务必断开蓄电池负极,严禁短路操作。本车型电路系统额定电压为12V直流电,部分传感器使用5V参考电压。
