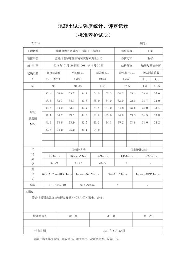
混凝土试块强度统计评定记录是用于记录和分析混凝土试块抗压强度测试结果的重要文件。该记录通过对不同批次混凝土试块的强度数据进行统计、计算和评定,确保混凝土质量符合设计要求和相关标准规范。主要内容包括试块编号、成型日期、试验日期、龄期、尺寸规格、破坏荷载、抗压强度等测试数据,以及强度统计计算结果和评定结论。该记录为工程质量控制、验收评定提供依据,是混凝土结构施工质量保证的重要技术资料。

混凝土试块强度统计评定记录是用于记录和分析混凝土试块抗压强度测试结果的重要文件。该记录通过对不同批次混凝土试块的强度数据进行统计、计算和评定,确保混凝土质量符合设计要求和相关标准规范。主要内容包括试块编号、成型日期、试验日期、龄期、尺寸规格、破坏荷载、抗压强度等测试数据,以及强度统计计算结果和评定结论。该记录为工程质量控制、验收评定提供依据,是混凝土结构施工质量保证的重要技术资料。

声明:资源收集自网络无法详细核验或存在错误,仅为个人学习参考使用,如侵犯您的权益,请联系我们处理。
不能下载?报告错误