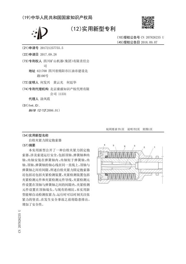
固定抱索器(蓄能器内夹紧力装置)是一种用于索道、缆车或类似运输系统中的关键安全组件。其主要功能是通过夹紧力将运载工具(如吊椅、车厢等)牢固固定在牵引索或承载索上,确保运行过程中不会发生滑动或脱落。该装置通常由高强度金属材料制成,内部包含蓄能机构(如弹簧或液压系统),能够自动调节并维持恒定的夹紧力,以补偿绳索因温度变化或磨损导致的直径变化。固定抱索器具有结构紧凑、可靠性高、免维护等特点,是保障索道系统安全运行的重要部件。在安装时需通过专业设备进行夹紧力测试和调整,并定期检查其工作状态。该装置广泛应用于旅游观光索道、矿山运输索道及城市公共交通索道等领域。
