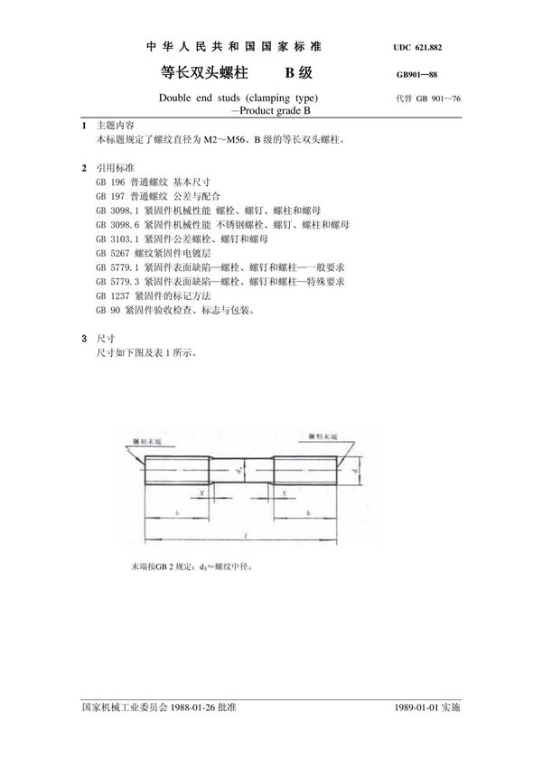
GB901-1988是中国国家标准中关于等长双头螺栓(B级)的技术规范。该标准规定了等长双头螺栓的尺寸、技术要求、试验方法、检验规则以及标志和包装等内容。等长双头螺栓是一种两端都有螺纹的紧固件,适用于需要两端同时连接的场合,广泛应用于机械、建筑、桥梁等领域。B级表示该螺栓的制造精度和性能要求较高,适用于对连接强度有较高要求的场合。该标准的实施有助于确保产品质量和互换性,促进相关行业的规范化发展。

GB901-1988是中国国家标准中关于等长双头螺栓(B级)的技术规范。该标准规定了等长双头螺栓的尺寸、技术要求、试验方法、检验规则以及标志和包装等内容。等长双头螺栓是一种两端都有螺纹的紧固件,适用于需要两端同时连接的场合,广泛应用于机械、建筑、桥梁等领域。B级表示该螺栓的制造精度和性能要求较高,适用于对连接强度有较高要求的场合。该标准的实施有助于确保产品质量和互换性,促进相关行业的规范化发展。
