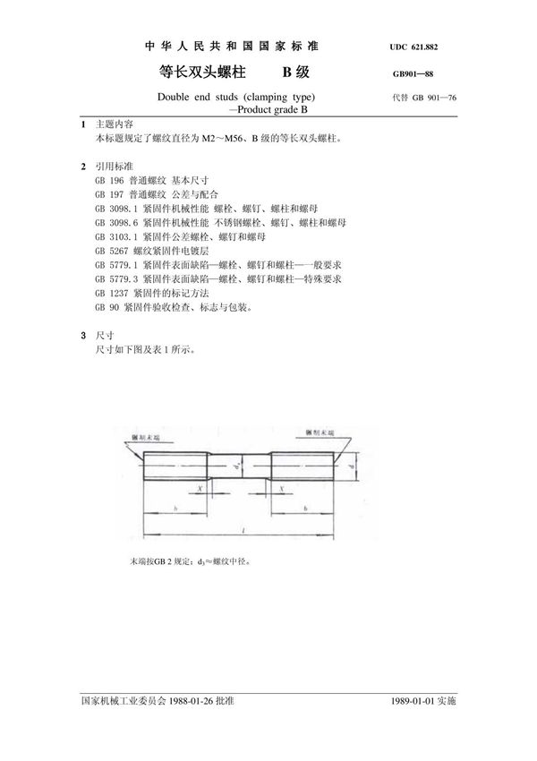
GB901-1988等长双头螺栓(B级)是中国国家标准规定的一种紧固件产品。该螺栓两端均带有螺纹,且螺纹长度相等,适用于需要双头连接的机械装配场合。B级表示其制造精度为中等精度等级,能够满足一般工业用途的强度要求。螺栓采用碳钢材料制造,表面通常进行镀锌或氧化处理以提高防腐蚀性能。其规格尺寸、机械性能和公差要求均严格按GB901-1988标准执行,广泛应用于机械设备、钢结构等领域的紧固连接。使用时需注意与相应等级的螺母配合,并施加适当的预紧力以确保连接可靠性。

GB901-1988等长双头螺栓(B级)是中国国家标准规定的一种紧固件产品。该螺栓两端均带有螺纹,且螺纹长度相等,适用于需要双头连接的机械装配场合。B级表示其制造精度为中等精度等级,能够满足一般工业用途的强度要求。螺栓采用碳钢材料制造,表面通常进行镀锌或氧化处理以提高防腐蚀性能。其规格尺寸、机械性能和公差要求均严格按GB901-1988标准执行,广泛应用于机械设备、钢结构等领域的紧固连接。使用时需注意与相应等级的螺母配合,并施加适当的预紧力以确保连接可靠性。

声明:资源收集自网络无法详细核验或存在错误,仅为个人学习参考使用,如侵犯您的权益,请联系我们处理。
不能下载?报告错误