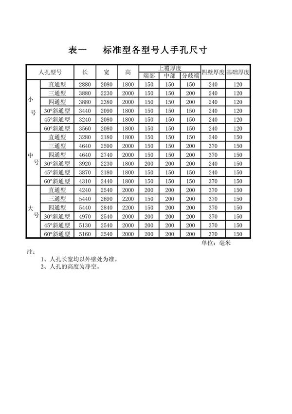
标准型各型号人手孔尺寸简介人手孔是用于地下管道、电缆等设施检修和维护的重要通道。标准型人手孔根据尺寸和用途分为不同型号,常见型号包括H1、H2、H3等。H1型人手孔尺寸较小,适用于空间受限或管线较少的场景。H2型尺寸适中,兼顾操作便利性和空间占用,应用较广泛。H3型尺寸较大,适合管线密集或需要更多操作空间的场合。各型号的具体尺寸(长、宽、高)需参考相关行业标准或设计规范,确保符合施工和维护需求。

标准型各型号人手孔尺寸简介人手孔是用于地下管道、电缆等设施检修和维护的重要通道。标准型人手孔根据尺寸和用途分为不同型号,常见型号包括H1、H2、H3等。H1型人手孔尺寸较小,适用于空间受限或管线较少的场景。H2型尺寸适中,兼顾操作便利性和空间占用,应用较广泛。H3型尺寸较大,适合管线密集或需要更多操作空间的场合。各型号的具体尺寸(长、宽、高)需参考相关行业标准或设计规范,确保符合施工和维护需求。

声明:资源收集自网络无法详细核验或存在错误,仅为个人学习参考使用,如侵犯您的权益,请联系我们处理。
不能下载?报告错误