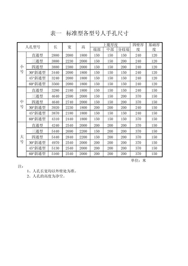
通信标准型人手孔是通信网络建设中用于线路连接、分支和维护的重要设施。根据不同的型号,人手孔的尺寸、挖深和土方量会有所差异,以满足不同场景下的施工需求。**人手孔尺寸**:通常根据型号不同,长、宽、高的尺寸会有所变化,常见的有小型、中型和大型人手孔,以适应不同线缆容量和施工环境。**挖深**:挖深取决于人手孔的高度以及基础垫层的厚度,一般在1.5米至3米之间,具体需结合地质条件和埋设要求确定。**土方量**:土方量计算基于人手孔的尺寸和挖深,通常按长×宽×深计算,并考虑放坡系数(如土质松软需加大放坡)。施工时需结合实际情况调整,确保安全和稳定性。不同型号的人手孔适用于不同的通信工程需求,选择合适的型号可提高施工效率并降低成本。
