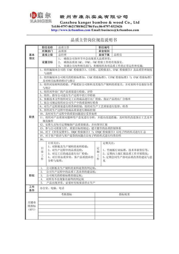
岗位简介:品质主管是企业质量管理体系的核心负责人,主要负责监督和指导产品及服务的质量管理工作,确保公司产品符合相关标准和客户要求。该岗位需要制定并执行质量控制流程,协调各部门解决质量问题,推动持续改进活动,提升整体质量水平。品质主管还需领导质量团队,进行质量培训,分析质量数据,并提出改进建议,以保障企业质量目标的实现。(注:以上内容可直接用于DOC文档的岗位职责说明书简介部分。)

岗位简介:品质主管是企业质量管理体系的核心负责人,主要负责监督和指导产品及服务的质量管理工作,确保公司产品符合相关标准和客户要求。该岗位需要制定并执行质量控制流程,协调各部门解决质量问题,推动持续改进活动,提升整体质量水平。品质主管还需领导质量团队,进行质量培训,分析质量数据,并提出改进建议,以保障企业质量目标的实现。(注:以上内容可直接用于DOC文档的岗位职责说明书简介部分。)

声明:资源收集自网络无法详细核验或存在错误,仅为个人学习参考使用,如侵犯您的权益,请联系我们处理。
不能下载?报告错误