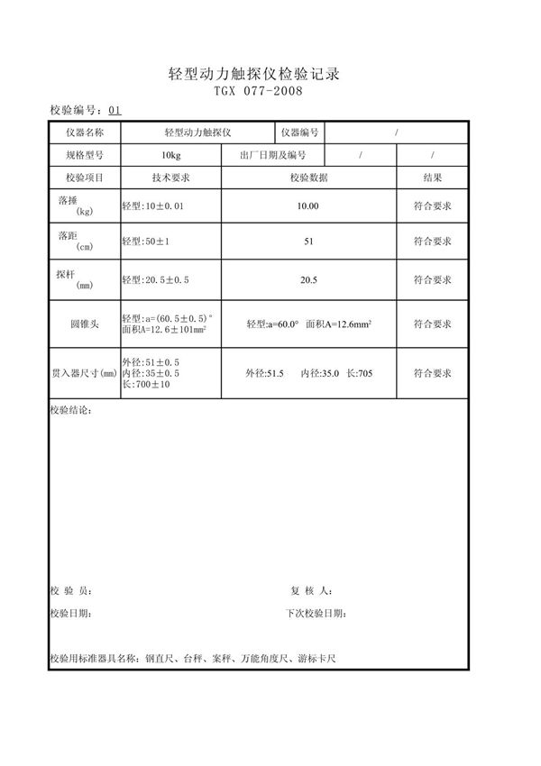
轻型动力触探仪检验记录是用于记录轻型动力触探试验过程和结果的重要文档。该记录通常包括试验日期、地点、设备信息、操作人员、试验深度、锤击次数、贯入阻力等关键数据。通过分析这些数据,可以评估地基土的力学性质和承载力,为工程设计提供依据。检验记录应确保数据准确、完整,并符合相关规范和标准要求。

轻型动力触探仪检验记录是用于记录轻型动力触探试验过程和结果的重要文档。该记录通常包括试验日期、地点、设备信息、操作人员、试验深度、锤击次数、贯入阻力等关键数据。通过分析这些数据,可以评估地基土的力学性质和承载力,为工程设计提供依据。检验记录应确保数据准确、完整,并符合相关规范和标准要求。

声明:资源收集自网络无法详细核验或存在错误,仅为个人学习参考使用,如侵犯您的权益,请联系我们处理。
不能下载?报告错误