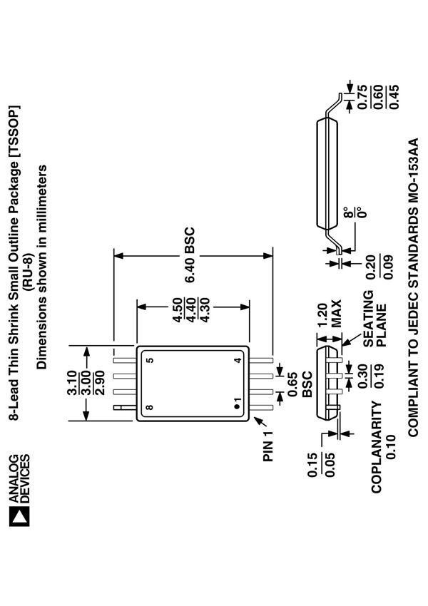
TSSOP-8封装尺寸图简介TSSOP-8(ThinShrinkSmallOutlinePackage)是一种薄型缩小外廓封装,具有8个引脚。这种封装设计紧凑,厚度较薄,适用于空间受限的应用场景。主要特点:-引脚间距通常为0.65mm-封装尺寸较小,节省PCB空间-适合高密度安装-常用于集成电路、模拟器件等尺寸图通常包含封装的长、宽、高以及引脚位置等关键参数,帮助工程师进行PCB设计和焊接。

TSSOP-8封装尺寸图简介TSSOP-8(ThinShrinkSmallOutlinePackage)是一种薄型缩小外廓封装,具有8个引脚。这种封装设计紧凑,厚度较薄,适用于空间受限的应用场景。主要特点:-引脚间距通常为0.65mm-封装尺寸较小,节省PCB空间-适合高密度安装-常用于集成电路、模拟器件等尺寸图通常包含封装的长、宽、高以及引脚位置等关键参数,帮助工程师进行PCB设计和焊接。
