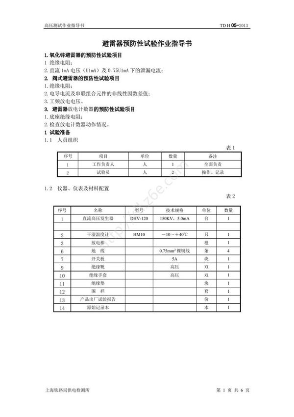
避雷器预防性试验是电力系统中对避雷器进行定期检测的重要手段,旨在评估其绝缘性能和电气特性,确保设备在雷击或过电压情况下能够可靠动作。试验项目通常包括绝缘电阻测试、直流参考电压及泄漏电流测量、工频参考电压试验等,通过这些测试可以及时发现避雷器老化、受潮或内部元件损坏等潜在缺陷,有效预防因避雷器失效导致的设备损坏或系统故障。试验周期一般结合设备运行状况和行业标准确定,对保障电网安全稳定运行具有关键作用。

避雷器预防性试验是电力系统中对避雷器进行定期检测的重要手段,旨在评估其绝缘性能和电气特性,确保设备在雷击或过电压情况下能够可靠动作。试验项目通常包括绝缘电阻测试、直流参考电压及泄漏电流测量、工频参考电压试验等,通过这些测试可以及时发现避雷器老化、受潮或内部元件损坏等潜在缺陷,有效预防因避雷器失效导致的设备损坏或系统故障。试验周期一般结合设备运行状况和行业标准确定,对保障电网安全稳定运行具有关键作用。

声明:资源收集自网络无法详细核验或存在错误,仅为个人学习参考使用,如侵犯您的权益,请联系我们处理。
不能下载?报告错误