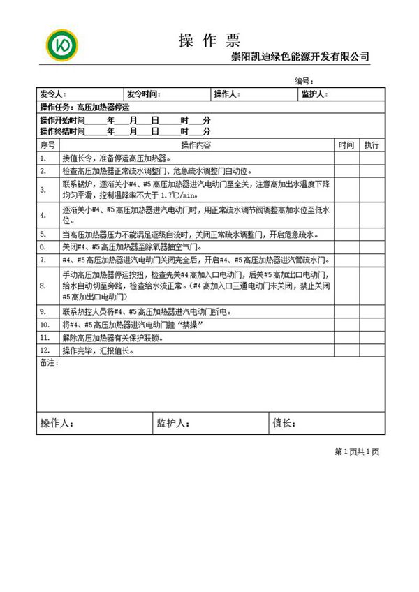
高压加热器停运操作票是用于指导操作人员安全、规范地停运高压加热器的标准化文件。它详细列出了停运过程中的操作步骤、安全注意事项以及相关检查项目,确保设备停运过程有序进行,避免误操作导致设备损坏或安全事故。操作票通常包括设备隔离、泄压、降温、系统切换等关键步骤,并需经过审核和批准后方可执行。严格执行操作票制度是保障电厂安全运行的重要措施之一。

高压加热器停运操作票是用于指导操作人员安全、规范地停运高压加热器的标准化文件。它详细列出了停运过程中的操作步骤、安全注意事项以及相关检查项目,确保设备停运过程有序进行,避免误操作导致设备损坏或安全事故。操作票通常包括设备隔离、泄压、降温、系统切换等关键步骤,并需经过审核和批准后方可执行。严格执行操作票制度是保障电厂安全运行的重要措施之一。

声明:资源收集自网络无法详细核验或存在错误,仅为个人学习参考使用,如侵犯您的权益,请联系我们处理。
不能下载?报告错误