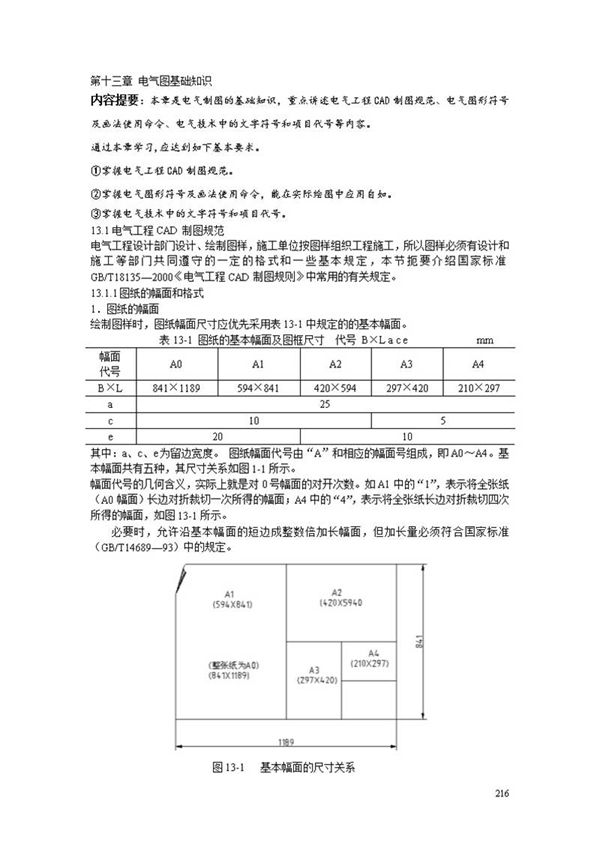
电气CAD-电气图基本知识简介电气CAD是专门用于电气设计的计算机辅助设计软件,广泛应用于电力系统、工业控制、建筑电气等领域。电气图作为电气工程的核心技术文件,主要包括系统图、电路图、接线图、布置图等类型,用于清晰表达电气设备的连接关系、控制逻辑和安装位置。学习电气图基本知识需要掌握以下内容:1.常用电气符号与标准(如IEC、GB等)2.电气图的分类与绘制规范3.电路原理分析与设计方法4.接线图与端子排的表示方法5.电气CAD软件的基本操作(如AutoCADElectrical、EPLAN等)掌握这些基础知识,能够帮助工程师高效完成电气设计、安装调试及维护工作,并确保图纸的准确性与标准化。
