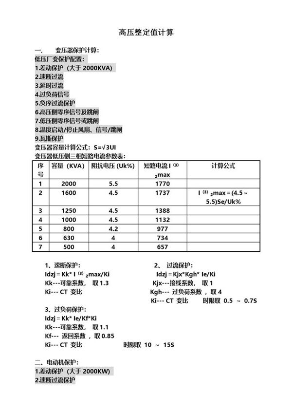
高压整定值计算公式是用于确定电力系统中高压保护装置动作参数的数学表达式。该公式根据系统电压等级、设备特性及保护需求,计算过流、速断、接地等保护功能的整定值,确保保护装置在故障时准确动作。计算时需考虑短路电流、设备耐受能力、系统运行方式等因素,并遵循相关电力行业标准。正确的整定值能平衡保护灵敏性和选择性,避免误动或拒动,保障电网安全稳定运行。

高压整定值计算公式是用于确定电力系统中高压保护装置动作参数的数学表达式。该公式根据系统电压等级、设备特性及保护需求,计算过流、速断、接地等保护功能的整定值,确保保护装置在故障时准确动作。计算时需考虑短路电流、设备耐受能力、系统运行方式等因素,并遵循相关电力行业标准。正确的整定值能平衡保护灵敏性和选择性,避免误动或拒动,保障电网安全稳定运行。

声明:资源收集自网络无法详细核验或存在错误,仅为个人学习参考使用,如侵犯您的权益,请联系我们处理。
不能下载?报告错误