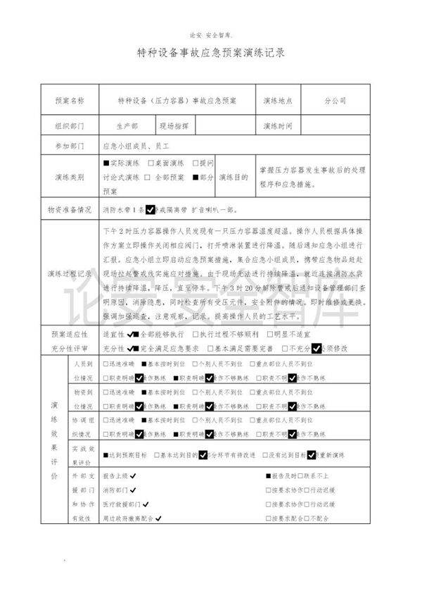
本次特种设备(压力容器)事故应急预案演练旨在检验和提高本单位应对压力容器突发事故的应急处置能力,确保在紧急情况下能够迅速、有序、高效地开展救援工作,最大限度减少事故造成的人员伤亡和财产损失。演练严格按照《特种设备安全法》及相关法规要求,模拟压力容器泄漏、爆炸等典型事故场景,重点测试应急响应程序、人员疏散、抢险救援、医疗救护及信息报送等关键环节。通过演练,进一步强化各部门协同配合能力,完善应急预案的可操作性,为保障特种设备安全运行奠定坚实基础。

本次特种设备(压力容器)事故应急预案演练旨在检验和提高本单位应对压力容器突发事故的应急处置能力,确保在紧急情况下能够迅速、有序、高效地开展救援工作,最大限度减少事故造成的人员伤亡和财产损失。演练严格按照《特种设备安全法》及相关法规要求,模拟压力容器泄漏、爆炸等典型事故场景,重点测试应急响应程序、人员疏散、抢险救援、医疗救护及信息报送等关键环节。通过演练,进一步强化各部门协同配合能力,完善应急预案的可操作性,为保障特种设备安全运行奠定坚实基础。
