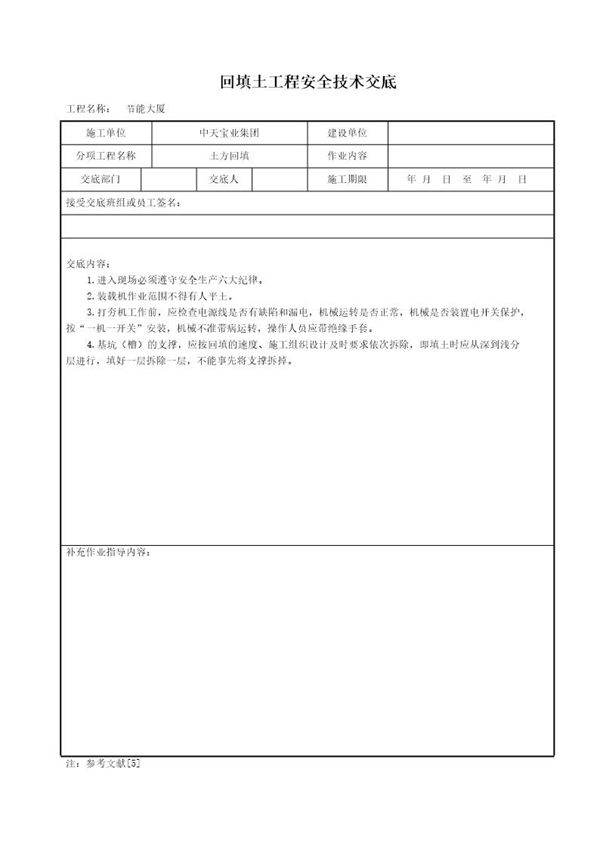
回填土工程安全技术交底是指在回填土施工前,由施工单位的技术负责人或安全管理人员向施工班组及相关作业人员进行的安全技术交底活动。其目的是确保施工人员充分了解回填土工程的技术要求、安全操作规程及潜在风险,明确施工过程中的安全注意事项,预防安全事故的发生,保障工程质量和施工安全。交底内容通常包括回填土的材料要求、分层压实标准、机械操作规范、边坡稳定措施、地下管线保护、作业环境安全及应急处理措施等。通过安全技术交底,施工人员能够掌握正确的施工方法,提高安全意识,确保回填土工程安全、高效地完成。

回填土工程安全技术交底是指在回填土施工前,由施工单位的技术负责人或安全管理人员向施工班组及相关作业人员进行的安全技术交底活动。其目的是确保施工人员充分了解回填土工程的技术要求、安全操作规程及潜在风险,明确施工过程中的安全注意事项,预防安全事故的发生,保障工程质量和施工安全。交底内容通常包括回填土的材料要求、分层压实标准、机械操作规范、边坡稳定措施、地下管线保护、作业环境安全及应急处理措施等。通过安全技术交底,施工人员能够掌握正确的施工方法,提高安全意识,确保回填土工程安全、高效地完成。

声明:资源收集自网络无法详细核验或存在错误,仅为个人学习参考使用,如侵犯您的权益,请联系我们处理。
不能下载?报告错误