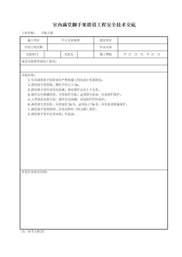
室内满堂脚手架搭设工程安全技术交底简介:为确保室内满堂脚手架搭设工程的安全施工,保障作业人员生命安全和工程质量,特制定本安全技术交底。本交底内容涵盖脚手架材料选用、基础处理、搭设规范、荷载控制、安全防护、验收标准及拆除要求等关键环节。所有参与施工人员必须严格遵守安全操作规程,正确使用个人防护装备,熟悉脚手架结构性能及限载要求。搭设过程中需重点控制立杆间距、水平杆步距、剪刀撑设置及连墙件固定等要点,确保架体整体稳定性。作业人员须持证上岗,严禁违章操作,每日施工前应进行安全检查,发现隐患立即整改。脚手架需经验收合格后方可投入使用,使用期间定期维护检查,拆除时遵循自上而下顺序,确保工程全过程安全可控。
