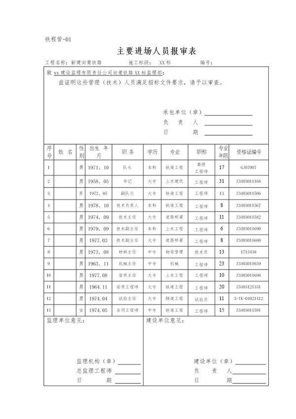
铁程管报审表(xx隧道新)简介铁程管报审表(xx隧道新)是用于xx隧道新建工程中各类施工方案、技术措施、材料设备等报审的标准化表格。该表格由施工单位填写,经监理单位审核后提交建设单位审批,确保施工过程符合设计要求及规范标准。报审内容涵盖施工组织设计、专项方案、材料进场、工程变更等关键环节,是隧道工程质量管理的重要文件。通过规范报审流程,有效控制施工质量与安全,保障工程顺利推进。

铁程管报审表(xx隧道新)简介铁程管报审表(xx隧道新)是用于xx隧道新建工程中各类施工方案、技术措施、材料设备等报审的标准化表格。该表格由施工单位填写,经监理单位审核后提交建设单位审批,确保施工过程符合设计要求及规范标准。报审内容涵盖施工组织设计、专项方案、材料进场、工程变更等关键环节,是隧道工程质量管理的重要文件。通过规范报审流程,有效控制施工质量与安全,保障工程顺利推进。
