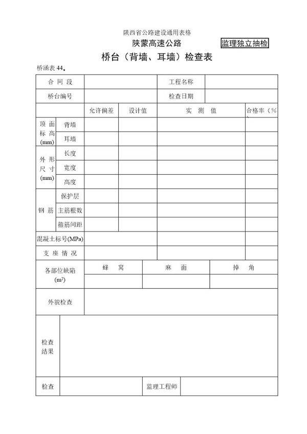
桥台(背墙)自检表简介桥台(背墙)自检表是桥梁工程施工过程中用于确保桥台及背墙施工质量符合设计要求和相关规范的重要检查工具。该表格详细列出了桥台和背墙施工的各项关键检查项目,包括但不限于结构尺寸、混凝土强度、钢筋布置、模板安装、外观质量等。通过逐项检查并记录数据,施工单位和监理人员可以及时发现并纠正施工中的问题,确保桥台(背墙)的结构安全性和耐久性。自检表的使用有助于规范施工流程,提高工程质量,并为后续验收提供可靠依据。

桥台(背墙)自检表简介桥台(背墙)自检表是桥梁工程施工过程中用于确保桥台及背墙施工质量符合设计要求和相关规范的重要检查工具。该表格详细列出了桥台和背墙施工的各项关键检查项目,包括但不限于结构尺寸、混凝土强度、钢筋布置、模板安装、外观质量等。通过逐项检查并记录数据,施工单位和监理人员可以及时发现并纠正施工中的问题,确保桥台(背墙)的结构安全性和耐久性。自检表的使用有助于规范施工流程,提高工程质量,并为后续验收提供可靠依据。

声明:资源收集自网络无法详细核验或存在错误,仅为个人学习参考使用,如侵犯您的权益,请联系我们处理。
不能下载?报告错误