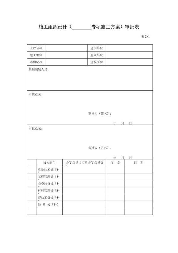
施工组织设计(专项施工方案)审批表是工程项目管理中的重要文件,主要用于记录和确认施工组织设计或专项施工方案的审批流程。该表格通常包含工程名称、施工单位、编制人、审核人、审批人、编制日期、审批意见等关键信息,确保施工方案的科学性、合理性和可操作性。通过审批表的填写和签批,能够明确各方责任,保障施工过程的安全、质量和进度符合相关法规及技术要求。

施工组织设计(专项施工方案)审批表是工程项目管理中的重要文件,主要用于记录和确认施工组织设计或专项施工方案的审批流程。该表格通常包含工程名称、施工单位、编制人、审核人、审批人、编制日期、审批意见等关键信息,确保施工方案的科学性、合理性和可操作性。通过审批表的填写和签批,能够明确各方责任,保障施工过程的安全、质量和进度符合相关法规及技术要求。

声明:资源收集自网络无法详细核验或存在错误,仅为个人学习参考使用,如侵犯您的权益,请联系我们处理。
不能下载?报告错误