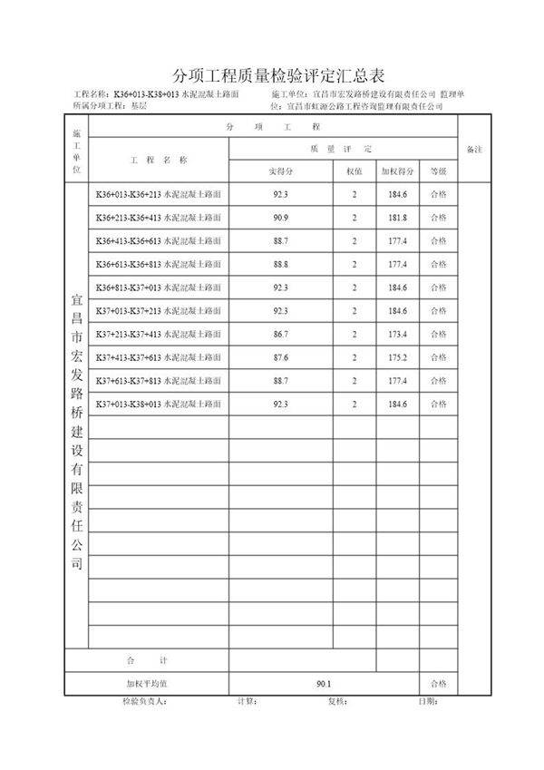
质量检验评定表是一种用于记录和评估产品或服务质量状况的标准化表格。它通常包含检验项目、技术要求、实测数据、评定结果等内容,是质量管理中的重要工具。该表能够系统化地反映检验对象的各项指标是否符合标准要求,为质量判定提供客观依据,同时便于质量问题的追溯和分析。适用于生产制造、工程建设、服务行业等多个领域的质量控制和验收环节。

质量检验评定表是一种用于记录和评估产品或服务质量状况的标准化表格。它通常包含检验项目、技术要求、实测数据、评定结果等内容,是质量管理中的重要工具。该表能够系统化地反映检验对象的各项指标是否符合标准要求,为质量判定提供客观依据,同时便于质量问题的追溯和分析。适用于生产制造、工程建设、服务行业等多个领域的质量控制和验收环节。
