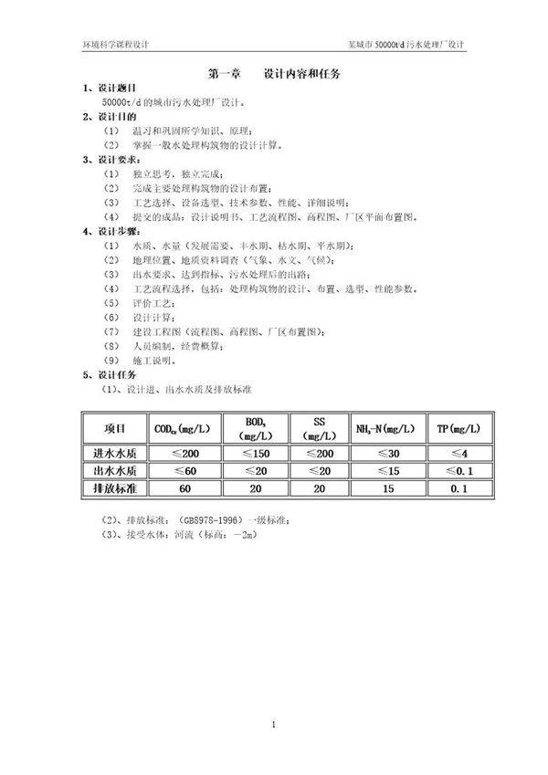
本设计方案针对日处理规模为50000吨的污水处理厂,采用A2O(厌氧-缺氧-好氧)工艺为核心处理技术。A2O工艺具有同步脱氮除磷功能,通过厌氧区释磷、缺氧区反硝化脱氮以及好氧区有机物降解和硝化作用,实现高效稳定的污水处理效果。设计出水水质满足《城镇污水处理厂污染物排放标准》(GB18918-2002)一级A标准,主要去除COD、BOD5、SS、NH3-N、TN和TP等污染物。工艺单元包括预处理(格栅、沉砂池)、生物处理(A2O反应池)、二沉池、深度处理(过滤、消毒)及污泥处理系统。方案结合自动化控制与节能设计,确保运行稳定、管理便捷,同时降低能耗与运行成本,适用于市政污水及类似水质工业废水的处理需求。
