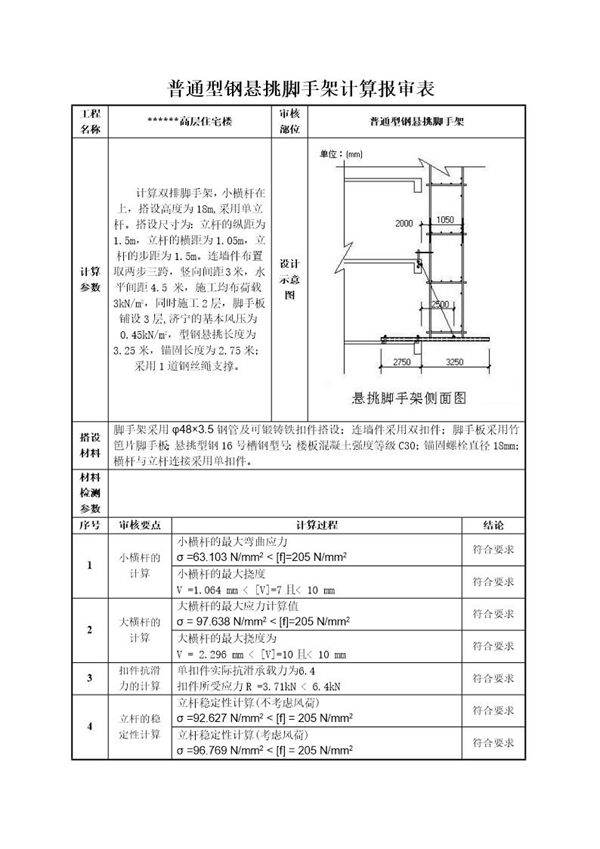
普通型钢悬挑脚手架计算报审表是建筑施工过程中用于报审悬挑脚手架设计方案的重要文件。该表格详细记录了悬挑脚手架的结构计算、荷载分析、安全验算等内容,确保脚手架的设计和施工符合相关规范及安全要求。通过填写此表,施工单位可向监理或建设方提交计算依据,证明脚手架的稳定性和安全性,为后续施工提供技术保障。报审表通常包括工程概况、计算参数、验算结果、结论及附件等部分,需由专业技术人员签字确认后报送审批。

普通型钢悬挑脚手架计算报审表是建筑施工过程中用于报审悬挑脚手架设计方案的重要文件。该表格详细记录了悬挑脚手架的结构计算、荷载分析、安全验算等内容,确保脚手架的设计和施工符合相关规范及安全要求。通过填写此表,施工单位可向监理或建设方提交计算依据,证明脚手架的稳定性和安全性,为后续施工提供技术保障。报审表通常包括工程概况、计算参数、验算结果、结论及附件等部分,需由专业技术人员签字确认后报送审批。

声明:资源收集自网络无法详细核验或存在错误,仅为个人学习参考使用,如侵犯您的权益,请联系我们处理。
不能下载?报告错误