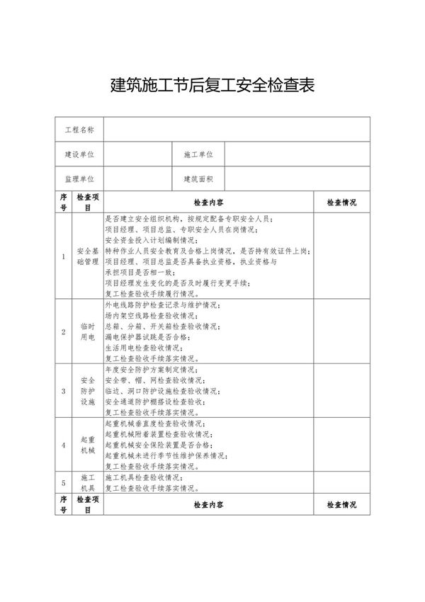
建筑施工节后复工安全检查表是为了确保春节或其他长假后工地复工时的安全管理工作有序开展而制定的检查清单。该检查表主要用于指导施工单位对施工现场进行全面安全检查,及时发现并消除安全隐患,预防安全事故发生,保障施工人员生命安全和工程顺利进行。检查内容通常包括但不限于以下几个方面:1.施工现场安全防护设施检查2.施工机械设备安全检查3.临时用电系统安全检查4.消防安全检查5.脚手架及高空作业安全检查6.施工人员安全教育培训情况核查7.应急预案及救援设备检查通过严格执行节后复工安全检查,可以有效降低复工初期的安全风险,确保施工生产安全平稳过渡,为全年安全生产打下良好基础。
