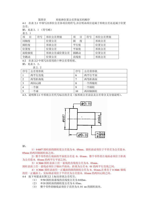
形位公差习题答案部分提供了详细的解题过程和结果分析,帮助学习者理解和掌握形位公差的基本概念和应用方法。每道习题的答案都经过仔细验证,确保准确性和可靠性,适合作为自学或教学的参考资料。通过练习这些习题,学生可以加深对形位公差标注、测量和计算的理解,提高解决实际工程问题的能力。

形位公差习题答案部分提供了详细的解题过程和结果分析,帮助学习者理解和掌握形位公差的基本概念和应用方法。每道习题的答案都经过仔细验证,确保准确性和可靠性,适合作为自学或教学的参考资料。通过练习这些习题,学生可以加深对形位公差标注、测量和计算的理解,提高解决实际工程问题的能力。

声明:资源收集自网络无法详细核验或存在错误,仅为个人学习参考使用,如侵犯您的权益,请联系我们处理。
不能下载?报告错误