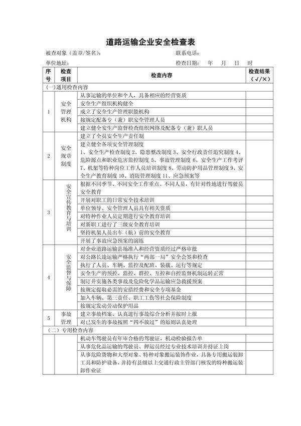
道路运输企业安全检查表是用于评估和监控企业运输安全状况的重要工具。该检查表通常包含车辆状况、驾驶员资质、安全管理制度、应急处理措施等多个方面的检查项目。通过定期使用该检查表,企业可以及时发现安全隐患,采取整改措施,确保运输过程符合相关法规要求,保障人员和货物安全。检查表应根据企业实际情况和最新法规动态进行更新完善,并配合培训教育,提高全员安全意识。检查结果应记录存档,作为安全管理持续改进的依据。

道路运输企业安全检查表是用于评估和监控企业运输安全状况的重要工具。该检查表通常包含车辆状况、驾驶员资质、安全管理制度、应急处理措施等多个方面的检查项目。通过定期使用该检查表,企业可以及时发现安全隐患,采取整改措施,确保运输过程符合相关法规要求,保障人员和货物安全。检查表应根据企业实际情况和最新法规动态进行更新完善,并配合培训教育,提高全员安全意识。检查结果应记录存档,作为安全管理持续改进的依据。
