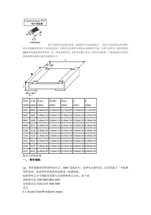
贴片电阻常见的封装尺寸有多种,通常以英制代码表示,例如0201、0402、0603、0805、1206、1210、2010、2512等。这些数字代表电阻的长和宽(单位为英寸的百分之一),例如0402表示0.04英寸×0.02英寸(约1.0mm×0.5mm)。封装越小,功率承受能力越低,但占用PCB空间更少,适用于高密度电路设计。不同封装对应不同的额定功率,例如0402通常为1/16W,0805为1/8W,1206为1/4W。选择封装时需考虑功率需求、空间限制和焊接工艺能力。

贴片电阻常见的封装尺寸有多种,通常以英制代码表示,例如0201、0402、0603、0805、1206、1210、2010、2512等。这些数字代表电阻的长和宽(单位为英寸的百分之一),例如0402表示0.04英寸×0.02英寸(约1.0mm×0.5mm)。封装越小,功率承受能力越低,但占用PCB空间更少,适用于高密度电路设计。不同封装对应不同的额定功率,例如0402通常为1/16W,0805为1/8W,1206为1/4W。选择封装时需考虑功率需求、空间限制和焊接工艺能力。

声明:资源收集自网络无法详细核验或存在错误,仅为个人学习参考使用,如侵犯您的权益,请联系我们处理。
不能下载?报告错误