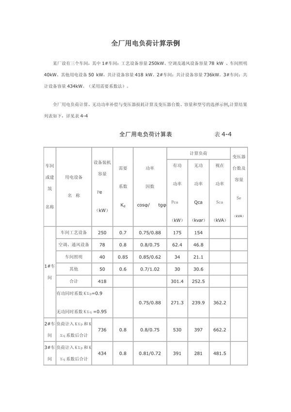
全厂用电负荷计算示例主要用于估算工厂内所有电气设备的总用电需求。计算时需考虑设备额定功率、运行时间、同时系数和功率因数等因素。通过将各类设备负荷分类汇总并乘以相应的系数,可得出全厂的计算负荷和年用电量。此计算是工厂供电系统设计、变压器容量选择及配电设备选型的重要依据,也是评估工厂能效水平和制定节能措施的基础数据。

全厂用电负荷计算示例主要用于估算工厂内所有电气设备的总用电需求。计算时需考虑设备额定功率、运行时间、同时系数和功率因数等因素。通过将各类设备负荷分类汇总并乘以相应的系数,可得出全厂的计算负荷和年用电量。此计算是工厂供电系统设计、变压器容量选择及配电设备选型的重要依据,也是评估工厂能效水平和制定节能措施的基础数据。
