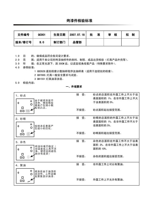
烤漆件表面应无明显的色差、流挂、橘皮、颗粒、气泡、划伤等缺陷。颜色应符合客户提供的色板或签样标准。漆膜厚度需控制在规定范围内,通常为XX-XXμm(根据具体产品要求填写)。附着力测试需达到X级(如百格测试、胶带测试等)。光泽度应符合设计要求,通常为XX-XXGU(根据产品要求填写)。所有检验项目需在标准光源箱或自然光下进行目视检查,检查距离为XXcm,检查时间为XX秒。对于有特殊要求的烤漆件,需按照客户提供的特殊检验标准执行。

烤漆件表面应无明显的色差、流挂、橘皮、颗粒、气泡、划伤等缺陷。颜色应符合客户提供的色板或签样标准。漆膜厚度需控制在规定范围内,通常为XX-XXμm(根据具体产品要求填写)。附着力测试需达到X级(如百格测试、胶带测试等)。光泽度应符合设计要求,通常为XX-XXGU(根据产品要求填写)。所有检验项目需在标准光源箱或自然光下进行目视检查,检查距离为XXcm,检查时间为XX秒。对于有特殊要求的烤漆件,需按照客户提供的特殊检验标准执行。

声明:资源收集自网络无法详细核验或存在错误,仅为个人学习参考使用,如侵犯您的权益,请联系我们处理。
不能下载?报告错误